うず巻ポンプ シールレス ステンレス
用途
- 石油化学工業用
- 化学産業用
特長
- 流量が非常に多く、低~中圧
- センタートップ構造で配管を外さず点検・分解が容易
- 高揚程・大流量
予想曲線

標準仕様
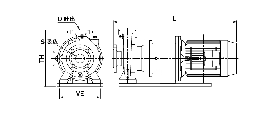
外形図

寸法表

よくあるご質問
うず巻ポンプとはどのようなポンプですか?
羽根車の回転による遠心力を利用して流体の圧力を高めるポンプです。ケーシング中央に液体の吸込口があり、外周に液体の出口があります。
渦流タービンポンプに比べると「大流量・低揚程」の性能となります。
渦流タービンポンプに比べると「大流量・低揚程」の性能となります。
うず巻ポンプの予想曲線はどのように見たらいいですか?
X軸が流量、Y軸が全揚程となります。流量が少ないほど全揚程は高くなり、流量が多いほど全揚程は低くなります。また、モータ軸動力は大流量になるにつれて大きくなりますので使える範囲に限界があります。さらに、極端に少ない流量域においては、サージング現象が発生し、性能が不安定になります。要求仕様をポインティングし、ご希望の仕様を満たすかご確認ください。
代表型式:
50CTCM37Z ・ 50CTCM55Z ・ 50CTEM37Z ・ 50CTEM55Z ・ 50CTFM55Z ・ 50CTFM110Z ・ 65CTCM37Z ・ 65CTCM55Z ・ 65CTEM55Z ・ 65CTEM75Z ・ 65CTFM110Z ・ 65CTFM185Z ・ 80CTCM75Z ・ 80CTCM150Z ・ 80CTEM110Z ・ 80CTEM185Z ・ 80CTFM185Z ・ 80CTFM300Z ・ 50CTCM37A ・ 50CTCM55A ・ 50CTEM37A ・ 50CTEM55A ・ 50CTFM55A ・ 50CTFM110A ・ 65CTCM37A ・ 65CTCM55A ・ 65CTEM55A ・ 65CTEM75A ・ 65CTFM110A ・ 80CTCM75A ・ 80CTEM110A
50CTCM37Z ・ 50CTCM55Z ・ 50CTEM37Z ・ 50CTEM55Z ・ 50CTFM55Z ・ 50CTFM110Z ・ 65CTCM37Z ・ 65CTCM55Z ・ 65CTEM55Z ・ 65CTEM75Z ・ 65CTFM110Z ・ 65CTFM185Z ・ 80CTCM75Z ・ 80CTCM150Z ・ 80CTEM110Z ・ 80CTEM185Z ・ 80CTFM185Z ・ 80CTFM300Z ・ 50CTCM37A ・ 50CTCM55A ・ 50CTEM37A ・ 50CTEM55A ・ 50CTFM55A ・ 50CTFM110A ・ 65CTCM37A ・ 65CTCM55A ・ 65CTEM55A ・ 65CTEM75A ・ 65CTFM110A ・ 80CTCM75A ・ 80CTEM110A





